A Practical Constant Pressure Water Supply Case Using Inverter and HMI Control — Worth a Look!
A Common Example of Constant Pressure Water Supply Controlled by Inverter and HMI
In water supply systems, unstable water pressure—often fluctuating unpredictably—frequently occurs when water is drawn from tanks. To address this issue, a constant pressure water supply control system can be implemented by maintaining a stable water level in the tank.
Here is a typical practical case, illustrated as follows:

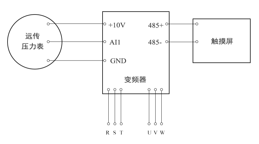
When the set water level value of the tank is 150 mm, regardless of the water outflow volume, the water level can be maintained at 150 mm by regulating the water inflow. Since the liquid level height is proportional to the pressure at the bottom of the tank, a remote pressure gauge can be used to measure the pressure at the bottom of the tank to determine the liquid level height, and a PID algorithm can be employed for automatic level adjustment. The analog signal of the water level detected by the remote pressure gauge is sent to the inverter. The inverter performs a PID calculation based on the deviation between the set value and the actually detected value, and uses the calculation result to adjust the speed of the pump motor, thereby regulating the water inflow.
In the entire control system, the core components are the inverter and the touch screen. The selection is as follows:
1. Inverter Selection
Eurotherm EV510A series inverter, with a common power range of 5.5–30 kW, used to receive analog input signals from the remote pressure gauge and adjust the speed of the pump motor to regulate water inflow.
2.Touch Screen
Kunlun Tongtai TPC7022

System Circuit Diagram and Related Parameters:
1. Circuit Diagram
The system utilizes the Eurotherm EV510A series inverter (common power range: 5.5–30 kW) to receive analog input signals from the remote pressure gauge and regulate the pump motor speed, thereby controlling the water inflow.

2. Inverter Parameter Settings
EV510A Inverter Parameter Configuration:

HMI Write Address Configuration

HMI Monitoring

With 15 years of independent R&D and production of inverters, Nanjing Oulu Electric Co., Ltd. has accumulated extensive application cases in the constant pressure water supply industry. The EV510A series inverters feature an optimized PID control algorithm, delivering superior control performance, faster response, and more reliable process control for constant pressure water supply applications. Additionally, we offer customized solutions tailored to specific industries, meeting the diverse needs of different sectors and clients. For more industry application cases, feel free to leave a message in the comments section.